XF-L15型限位閥
用途與特征:
XF—L15型限位閥是自卸車起限位作用的控制閥,用以限制車廂舉升最大轉角角度。
工作原理:
當車廂舉升轉角達到一定角度時,舉升缸或其它限位機具觸及限位閥閥桿,閥內P口與T口接通系統卸荷,切斷向舉升缸供油,車廂停止舉升,實現限位功能起舉升限位作限用。當車廂舉升到最大轉角位置時,限位機構將限位閥的限位桿壓下P口與T口接通,使舉升缸供油口與T口瞬間連通,舉升缸即下降一段距離(車廂舉升轉角變小),隨車廂舉升轉角變小限位閥的限位桿恢復原始狀態(tài)同時系統壓力油再次進入舉升缸使其上升(車廂再次舉升到最大轉角位置)。在限位閥的限位桿行程范圍內(即P口的開啟—閉合—開啟)現車廂下降—舉升—下降往復變化過程,使車廂產生輕微抖動有利于將車廂內的殘留物體卸掉。該閥的工作原理示意圖如下。
技術參數/工作油液:
1.工作壓力; 21 MPa
2.工作流量; 100 L/min
3.最大行程: 6 mm
4.溫度范圍:-20一+80(C°)
5.粘度范圍:10~400 (mm2/S)
6.過慮精度:≤10 (μm)
注:油液最高污染等級按GB/T14039之19/16執(zhí)行
型號說明:
|
|
 |
|
XF-L15型限位閥連接示意圖
|
|
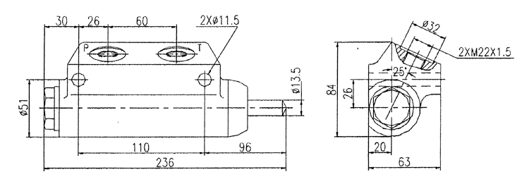
XF-L15型限位閥外型及安裝圖: