QXF6型氣控限位閥
用途與特征:
QXF6型氣控限位閥是二位三通型的氣動元件,以壓縮空氣為工作介質,在各種自卸車的控制氣路中它與舉升閥的控制氣缸管路串接在一起使用,是自卸車舉升至極限位置時起限位作用控制閥。
工作原理:
QXF型氣控限位閥的原始位置Pq口與Pa口是連通的(常開式結構,)。在連接示意圖(1)中搬動操縱氣閥的手柄換向至工作位置(Pq口與A口連通)將壓縮空氣經氣控限位閥進入舉升閥氣缸使舉升閥換向實現液壓缸上升。當車廂舉升到最大轉角位置時,限位機構將氣控限位閥的限位桿壓下切斷其進氣口(Pq口與Pa口是斷開),Pa口與Tq口接通使舉升閥氣缸內的壓縮空氣由氣控限位閥排入大氣。這時舉升閥P口與T口瞬間連通,舉升缸即下降一段距離(車廂舉升轉角變小),隨車廂舉升轉角變小氣控限位閥的限位桿恢復原始狀態(tài)同時壓縮空氣經該閥再次進入舉升閥氣缸使舉升缸,上升(車廂再次舉升到最大轉角位置)。
在氣控限位閥的限位桿行程范圍內(即Pa口的閉合—開啟—閉合)實現車廂下降—舉升—下降往復變化過程,使車廂產生輕微抖動有利于將車廂內的殘留物體卸掉。在連接示意圖(2)中搬動操縱氣閥的手柄換向至工作位置(Pq口與A口連通)將壓縮空氣經氣控限位閥進入舉升閥的氣缸K1口實現液壓缸上升。當車廂舉升到最大轉角位置時,限位機構將氣控限位閥的限位桿壓下切斷其進氣口(Pq口與Pa口是斷開),Pa口與Tq口接通使舉升閥氣缸內的壓縮空氣由氣控限位閥排入大氣。這時舉升閥回到中位,P口經A口與T口連通回油,B口關閉車廂處于最高舉升位置狀態(tài),該閥的工作原理示意圖如下!
技術參數:
1.工作壓力: 1 MPa
2.使用壓力: 0.4-0.8MPa
3.公稱通徑: 6 mm
產品型號:
|
|
|
 |
|
QXF6連接示意圖(2)
|
|
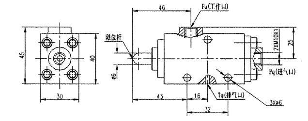
QXF6型氣控限位閥的外型及安裝圖: