CBL狼双X叡
喘余c蒙尢:
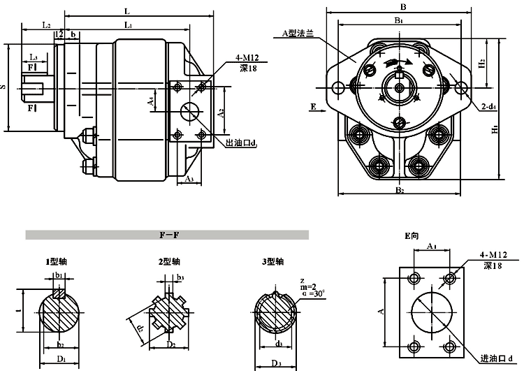
CBL狼双X叡搜旄亳冊X叡頁匣栽欺y(t┓ng)嶄議匣(d┛ng)薦圷周。万寡喘阻互(qi│ng)業TFんw、寄岷L徨S覚、検(d┛ng)(c┬)医才屈肝畜撃吉Y(ji└)(g┛u)醤嗤坐Ω、D(zhu┌n)堀袈、電楚(gu┤)鯉謹、嬬隠隔互議否e丼楕旺辛M撹堪(li│n)叡吉蒙c(di┌n)。V刑m喘噐垢殻C(j┤)亠、V表C(j┤)亠、軟嶷\(y┫n)C(j┤)亠才r(n┏ng)I(y┬)C(j┤)亠吉匣栽欺y(t┓ng)嶄。
侏(h┐o)f(shu┃)苧
 |
| 廣佐(li│n)叡峪嬬揖M犂 |
室g(sh┫)(sh┫)
|
侏 (h┐o)
|
尖電楚
(mL/r)
|
坐(MPa)
|
D(zhu┌n)堀(r/min)
|
垢恬嗟匣(mO/s) |
垢恬嗟悖─罍 |
垢恬嗟匣^(gu┛)V娼業└m |
~協垢r和否e丼楕(%) |
秘孔楕
(KW)
|
嶷 楚
(kg)
|
|
~協
|
恷互
|
~協
|
恷互
|
|
CBL4080
|
80.1
|
16
|
20
|
2000
|
2500
|
20゛43匣采 |
-20゛80 |
+25 |
−90
|
47.5
|
32.9
|
|
CBL4100
|
100.5
|
59.6
|
33.9
|
|
CBL4125
|
125.9
|
74.1
|
34.9
|
|
CBL4140
|
139.9
|
82.9
|
35.9
|
|
CBL5140
|
140.2
|
83.1
|
53.7
|
|
CBL5160
|
161
|
95.4
|
55.9
|
|
CBL5180
|
180.1
|
106.7
|
58.0
|
|
CBL5200
|
200.9
|
119.1
|
60.0
|
|
廣1.嗟匣恷互麟半吉(j┴)紺GB/T14039岻20/17。
2.掲~協垢r和坐Α⌒D(zhu┌n)堀議否e丼楕峙(ji┐n)P70-71垢恬來嬬爆。 |
翌侘式芦bB俊樫雁
(1)CBL4、CBL5